Kenworth T800
Air & Brake
372 Products
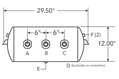
29.50" Aluminum Air Tank 12" Diameter, 3/4" (3) Main Ports, 3/8" (2) End Ports, 2790 cu in
In Store Only
SKU: TSJ1254A
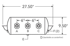
27.50" Aluminum Air Tank, 9.5" Diameter, 1/2" (2) Main Ports, 3/8" (2) End Ports, 1480 cu in
In Store Only
SKU: TSJ9515A
Brake Chamber Brackets Slack Adjuster Length: 5.50-6.00 in.< Camshaft Barrel Length: 6.947 in.
$199.79
$221.99
SKU: T30-3299Q6257
Brake Chamber Brackets Slack Adjuster Length: 5.50-6.00 in.< Camshaft Barrel Length: 6.947 in.
$199.79
$221.99
SKU: T30-3299P6256
Are you looking for air compressors, air Dryers, brake shoes, glad hands, brake hoses, hubcaps, slack adjusters, springbrakes, control valves, abs components, brake valves, fittings and other Air & brake related products?, and more important: you need them soon?
You are in the right website, if you don't find it here give us a call!
Filter By
- BRAND
- TYPE